Torque Multipliers
Our Torque Multipliers
Our torque multipliers are built for strength, accuracy and safe operation in demanding industrial environments. Manufactured from high-quality alloy steel, the M Series delivers durable performance with a ratio accuracy of ±5%. With different model options, adjustable reaction arms and built-in anti-backlash protection on higher torque capacities, the M Series ensures secure and efficient torque application
For applications requiring a more compact solution, the LM Series offers a lightweight, easy-to-handle design without compromising safety. Models above 1500 Nm are equipped with backlash safety protection, providing reliable and controlled operation.
- Alloy steel construction, long life
- Ratio accuracy: ±5%
- There are three types of M series:
– M3 model, two reaction arms are available.
– M5 and M25 models, the position of the force cylinder on the reaction arm can be adjusted according to applications. Above 2500Nm, the model has anti-backlash built-in, more secure to operate.
M3 Model Torque Multiplier
Two reaction force arms optional
- Rated torque: 1,000N.m
- Ratio: 3.3 : 1
- Two reaction arms optional
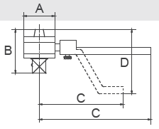
M5/M25 Model Torque Multiplier
The position of the force point on the reaction arm is adjustable
M5
- Rated torque: 1,500N.m
- Ratio: 5 : 1
- Adjustable force point position on the reaction arm
M25
- Rated torque: 2,500-10,000N.m
- Ratio: 25 : 1
- Adjustable force point position on the reaction arm
- Built-in anti-backlash safety protection for above 2500 N·m
LM Series Torque Multiplier
The position of the force point on the reaction arm is adjustable
- Compact structure, light weight, easy to carry and use.
- Backlash safety protection device for 1500N.m and above, safer to use.
- Rated torque: 1000-4000N.m (ratio dependent; see leaflet for details)
Contact us Today
Have questions about our products, need technical guidance, or ready to place an order? Our team is here to help. Whether you’re looking for product information, a quotation, application support or purchasing assistance, we’re ready to support your requirements.
Get in touch with us through our contact form, send us an email, or give us a call — and we’ll make sure you receive the right solution quickly and efficiently.
- Kristineholmsvägen 10N, 441 39 Alingsås, Sweden
- info@novatork.eu
- +46 (0) 322 61 14 66